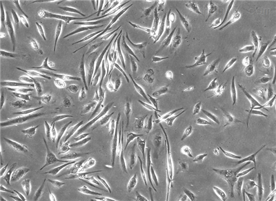
产品名称:HM;人小神经胶质细胞(原代细胞)
ScienCell:1900
5×10^5个细胞/瓶
来自ScienCell研究实验室的HM从人脑中分离出来。HM在纯化后冷冻保存并冷冻。每个小瓶含有> 1×10 6个细胞,1ml体积。HM的特征在于具有针对CD11b和F4 / 80的抗体的免疫荧光。HM对HIV-1,HBV,HCV,支原体,细菌,酵母和真菌均为阴性。HM保证在ScienCell研究实验室提供的条件下进一步培养; ^ h H但是,HM不建议,因为细胞膨胀或长期培养的常规培养不繁殖。
该产品仅供研究使用。它未被批准用于人类,动物或体外诊断程序。
经检测无支原体、细菌、酵母和真菌污染
小胶质细胞是中枢神经系统(CNS)中的神经胶质细胞类型之一,是神经胶质细胞网络的重要组成部分[1]。它们存在于从发育早期到成熟状态的脑实质中。小胶质细胞在脑免疫监视中发挥重要作用。它们可以将MHC II类表达的分子背景中的抗原呈递给CD-4阳性T细胞,并且能够进行Fc介导的吞噬作用,并与造血和组织巨噬细胞共享许多常见抗原[2]。激活后,当脑发育期间或CNS受损时发生程序性细胞死亡时,它们充当脑巨噬细胞以清除组织碎片,受损细胞或微生物。此外,
胶质祖细胞,其根据培养基在体外发育成星形胶质细胞或少突胶质细胞
A-375 [A375](恶性黑色素瘤细胞) |
COLO-320(结肠腺癌细胞) |
A172(胶质母细胞瘤细胞) |
SW480 [SW-480](结肠癌细胞) |
SHG-44(胶质瘤细胞) |
公司优势:
1)质量:我司提供的的细胞为世界ATCC和Sciencell
2)价格:价格实惠,量大从优,产品价格随时会变动,实时报价还请来电获取。
4)服务:提供完整的售前、售后和售中服务。售后到底
在接收时将细胞从干冰直接并立即转移至液氮,并将细胞保持在液氮中直至实验需要细胞培养。
晅科生物致力于为国内科研用户提供*质的产品,完善的服务。帮助您实验顺利。视天气状况和运输距离远近,公司与客户协商
晅科生物为研究界提供各种高质量的正常人和动物细胞,细胞培养基和试剂,基因分析工具,细胞衍生的分子生物学产品,基于细胞的检测试剂盒和干细胞产品。
客户在细胞培养过程中,有任何技术问题可以联系售后服务
客户应具有一定细胞培养知识与经验,并具备基本实验设备,如细胞培养实验室、无菌操作台、CO2培养箱,倒置显微镜等;还应准备好相应的无菌培养基、血清、双抗、细胞培养瓶、培养板等。
如需订购HM;人小神经胶质细胞(原代细胞),请联系我们。
此外公司还提供:
786-O [786-0](肾透明细胞腺癌细胞) |
K-562(慢性髓原白血病细胞) |
Hce-8693(盲肠腺癌细胞(未分化)) |
HEL299(红白细胞白血病细胞) |
CW-2(结肠腺癌细胞) |